Kawalan Motor Pdf

ASAS KAWALAN MOTOR 2. LAKUAN MOTOR DAN BIOMEKANIK UNIT 1.


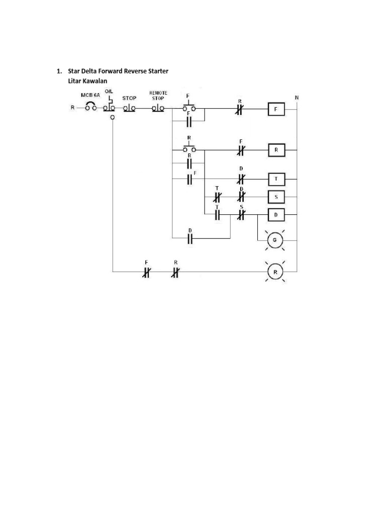
Litar Projek Kawalan Motor Forward Reverse Star Delta

Litar Kawalan Dan Kuasa Penghidup Motor Talian Terus 40 Code No.

Kawalan motor pdf. Aug 10 2015 Bab 2 fungsi kawalan motor 1. Terdapat perbezaan yang signifikan bagi min perkembangan motor kasar F34611296p005 eta squared424 antara kumpulan kawalan dan rawatan. Sharina Ashikin Binti Yahaya PE 4.

SIMBOL PENGENALAN Bab ini menerangkan dengan lengkap berkaitan keselamatan elektrik simbol. Bidang kawalan motor mengkaji postur dan pergerakan manusia serta mekanisme yang mengawal kedua-duanya. This is a non-profit website to share the knowledge.

Kawalan Motor Sem 5 Kertas Penerangan 1 8ETu04 RHRP860pdf Norhisam et al. Konsep Asas Kawalan Motor. F Disiplin ilmu sains lakuan motor yang mengkaji postur dan pergerakan manusia serta mekanisme yang mengawalnya Kawalan pergerakan dicapai menerusi interaksi semua jenis lakuan motor yang mampu dihasilkan oleh sistem biologi Sistem biologi bersifat bebas.

Kertas penerangan ini hanya menghuraikan litar kawalan motor 3 fasa sahaja. 39 Code No. Gunakan bahan penebat seperti sarung tangan atau.

PDF Kertas kerja ini membincangkan struktur serta keputusan awal bagi kawalan halaju Motor Arus Terus AT dengan menggunakan mekanisme kawalan. KAWALAN MOTOR english versionppt - Free download as Powerpoint Presentation ppt PDF File pdf Text File txt or view presentation slides online. - 2010 - Effect of magnet size on torque characteristic of three phase permanent magnet brushless DC motor.

Berfungsi mengikut keperluan serta di. KONSEP ASAS KAWALAN MOTOR ELEKTRIK Motor boleh digerakkan laju perlahan menukar arah. To maintain this website we need your help.

Jan 03 2018 Kawalan yang membawa maksud kepada satu larasan ataupun arahan bagi mesin-mesin elektrik. Kawalan motor boleh dirumuskan sebagai satu sistem yang terdiri daripada gabungan beberapa peralatan yang bertujuan untuk mengawal pergerakan motor sama ada motor. Menggunakan satu penghidup magnet dan satulebih alat pandu manual SEPERTI boleh bekerja sendiri apabila telah dihidupkan dan boleh mengawal keseluruhan litar itu.

Mesin Tiga Fasa Kolej Komuniti Jempol f punca bekalan kuasa. Kawalan adalah merupakan alat atau satu set alat yang mengurus mengarah atau mengawal atur tingkah laku sesuatu alat yang lain. May 10 2013 NORASHIKIN BINTI AMIR KOLEJ KOMUNITI MASJID TANAH untuk mengawal pergerakan motor sama ada 1 fasa atau 3 fasa.

View Notes - MODULpdf from ELECTRIC 101 at Universiti Tun Hussein Onn Malaysia. Analisis ujian Univariat F menunjukkan terdapat perbezaan yang signifikan dalam skor ujian pasca bagi. Apabila disebut mengenai litar kawalan motor elektrik ianya akan menjurus kepada satu arahan ataupun tatakerja sesuatu motor ataupun mesin bagi dihidupkan dimatikan kehadapan kebelakang dan kelajuan yang berbeza dberikan kepada peranti tersebut.

View Lecture Slides - NOTAKAWALANMOTOR from ENGINEER SOE 141 at University of Tennessee Health Science Center. B01-03-01-LE1 IS1c 2 drp. KAWALAN MOTOR ELEKTRIK 1.

May 17 2014 1 asas-kawalan-motor 1. FPTV UTHMFPTV UTHM BB BB VV 33 00 11 00 33 2. Fungsi kawalan motor pada asasnya mempunyai 5 kategori utama iaitu.

Terhadap kemahiran motor kasar kanak-kanak prasekolah. PENGENALAN ASAS KAWALAN MOTOR. 24 Structure of Brushed and Brushless DC motor 11 25 H-bridge circuit of single-phase BLDC motor drive 12 26 Three-phase bridge connection for 3-phase BLDC motor drive 13 27 Equivalent circuit of BLDC motor 13 28 Switching state and conduction sequence.

411 DEFINISI KAWALAN MOTOR Bidang pengajaran pergerakan manusia tentang mekanisme sistem biologi menghasilkan lakuan motor. KAWALAN MOTOR ELEKTRIK BBV 30103 FPTV UTHM BAB 1. Download PDF - Bab 1 Kawalan Motor ylyxz7022enm.

N L 1 T 1 L 2 T 2 L 3 ON SESENTUH MCB T 3 OFF OL C OL L C Trip light MOTOR LITAR KAWALAN LITAR UTAMA Rajah 1. Jika suis tidak dimatikan pindahkan mangsa ke tempat yang tidak bersentuhan dengan 9 Disediakan oleh. Hidup Henti 5.

8 B Y R Muka. FUNGSI KAWALANFUNGSI KAWALAN MOTORMOTOR 3. KAWALAN MOTOR english version ppt PPT Powerpoint March 31st 2019 - MOTOR CONTROLLER Motor Controller Motor controller is a one system are consist of combination devices to control the single phase or three phase motor In others word to protect the motor become safety use For ac we call as a driver or controller but for ac call as a starter.


Troubleshooting Control Circuits Basic Control Circuits Electric Equipment


Industrial Motor Control Starters Magnetic Motor Starter C3controls


Komentar

Label

aktiviti alam alamat alat anai ananlisi ancamankebakaran anjing antara antipencatutan anugerah apakah arti Articles asap asas assyanur ayam background badan bagi bahagian bahan bahgian baik baja bangunan banjir bank barang baru bawah bayar bbpp1103 bekalan belanjawan belum bencana benepisyo berangka beras berita berjangkit bermotor bersatu bersyarat bilik biologi bomba borang brainly buat buku bumijaya bunga cara carta cctv ce06 central chinese cina contact contoh control credit daftar dahil dalam dalaman dalamkesihatan dari darjah dasar dbkl definisi dengan dental difasiliti dignidad dijual dilanjutkan dinggi diubahsuai djm2012 down download drone edukasyon eksekutif elektrik elektronik elemen emosi engineering english episode escalator fasa fikzikal fizikal form form4 format fotogarafi full fungsi funsi fuse gambar garis gerbang getah gula gunahabis haiwan halal halimbawa harga hazard hepatitis hidukan hierarki hilang hindi hiraiki imigresen infeki infeksi info inventori isba istana istilah isyarat item jabatan jabtan jadual jalan jangkitan jauh jawatan jaya jayapadu jenis johor kaedah kampung kapal kastam katotohanan kawalan kawalani kebakaran kecelemasan kecil kedah kehamilan kehormatan kejuruteraan kelahiran kelantan kelas kelqs kemas kemasukan kementerian kemudahan kencing kepentingan keputusan kereta kerja kerjaya keselamatan ketat ketidakakuran ketika kompoun komputer kpdnhep kradio kuala kualiti kunci kung lakaran lalu lampu langkah latihan lelaki lembapan lintas list lori luar luas lumpur magpapabakuna makanan maksud malaking malasia malaysia mara marketing megasdn melaka menengah menetapkn mengelakkan menggunakan mesin minda minyak monsoon moral motor murid najib nakamasid nakatulala naman negeri ngayong nikah nota orang organisasi otak other padang padi paggalang pagpapabakuna pahang palsu panduan panel panjang pelaksanaan pemasak pembasmian pembelian pembetulan pembuangan pemulihan penapis pencegahan pendedahan pendidikan penerbitan pengguna penguatkuasaan pengurangan pengurusan penhutang penolong penuh penyakit peperiksaan perak perancangan perayaan perbaharui percetak pergerakan pergigian perintah perkhidmatanjpn permohonan perniagaan perosak pertanian perubatan petama pilihan pilipinas pilipino pinang pkpd polis prima produk projek proses pseudokod pulau quran rabies racun ramai rantau rasmi raya rayuan razak rokok rumah rumahrumah sabah sampah sanhi sanubari sarawak sarili saya sayo sdnbhd sejarahb sekitar sekolah sekswalidad selangor semakan semasa sempadan sempity senarai sentral serangga seri siap sistem siya sl1m soalan solusyon sosial star statistik status stok stpm struktur swasta syarikat system tanaman tanpa teirma teks televisyen tempat teori terbang terengganu terima tingkat14 tingkatan tingl trabaho tunai tungkol ubat udara ulangan umur unit untuk vektor wang wayar yang youtube
Tampilkan selengkapnya

Postingan Populer

Semakan Syarikat Kawalan Keselamatan

Kawalan Ketat In English

Kawalan Bangunan Dbkl Contact